СТОМАНЕНИ КАСИ

УДОБНИ. ЗДРАВИ. ИНДИВИДУАЛНИ.

 

Здрави каси, подходящи за различни цели.
Да можеш да разчиташ на качество в дългосрочен план е не само успокояващо, но и спестява много пари в дългосрочен план!

Както и при други ключови аспекти на строителните услуги (отопление, водопровод, електричество), качеството е мерило за всичко, когато става въпрос за касите на вратите.

Добрата стоманена каса е стабилна по отношение на размерите, държи здраво крилото на вратата и може да остане на мястото си дори при смяна на крилото на вратата. В Novoferm „добра каса“ означава: тя пасва веднъж завинаги, здрава и стабилна е и наистина може да понесе всяко ежедневно натоварване!

Защo да изберем стоманени каси от NOVOFERM?

ГЪВКАВОСТ И ИЗКЛЮЧИТЕЛНА УСТОЙЧИВОСТ

Novoferm може да ви осигури каси, подходящи за всички видове монтаж и каси за зидария и нестандартни проекти. Те са здрави, не се деформират и са защитени от корозия, изработени са от тънка горещо поцинкована ламарина, съгласно EN 10142, с дебелина 1,5 или 2,0 мм, покрити с висококачествен грунд, за да се получи идеална повърхност за нанасяне на повърхностно покритие.

ВРАТИ И КАСИ ДИРЕКТНО ОТ ПРОИЗВОДИТЕЛЯ

Предлагаме повече от 1000 продукта, които се произвеждат от четири производствени предприятия в Германия.

ТОЧНОСТ НА РАЗМЕРИТЕ

Касите на Novoferm се отличават с прецизност на профилите и гарантират точност на размерите чрез спазване на най-стриктен толеранс (по EN стандарти / вътрешни стандарти на Novoferm).

ВИСОКОТЕХНОЛОГИЧНО ПРОИЗВОДСТВО НА КАСИТЕ

1. Баркодове за безпогрешна точност на данните
2. Продуктово маркиране с лазерен печат
3. Напълно автоматизирано щанцоване
4. Изключителна прецизност на сглобката

КАСИ ПО ВАШ ИЗБОР

Novoferm предлага не само широка гама от каси, но и точния продукт за всички необходими типове стени. Освен това нашите високи стандарти за качество гарантират бърз монтаж, висока стабилност и дълготрайност. Здравите каси на Novoferm ще издържат няколко поколения врати.

ЗА УСТОЙЧИВО БЪДЕЩЕ

Нашите продукти отговарят на изискванията за екологична продуктова декларация (EPD) в съответствие с ISO 14025 и EN 15804 от програмата за екологични продуктови декларации на Institut Bauen und Umwelt e.V. (IBU), базирана на стандарта EN 15804.

EPD в съответствие с ISO 14025 и EN 15804 Оценка на жизнения цикъл в съответствие с DIN ISO 14040/ 14044I / Правила за продуктова категория (PCR) врати

НЕРЪЖДАЕМА СТОМАНА

Касите от неръждаема стомана допълват гамата на Novoferm. Тези каси се предлагат със специални напречни сечения и имат дебелина на ламарината между 1,5 мм и 2 мм в зависимост от модела. Попитайте Вашия специализиран търговец на Novoferm за всички характеристики на оборудването и възможните приложения.

ИНДИВИДУАЛНОСТ

Касата и крилата са като визитна картичка и трябва да подхождат на съответната къща, стая и потребител. Novoferm предлага всички цветове RAL по ваш избор, метални цветове и други за специална защита. Възможност за прахово покритие против графити.
Боядисаните каси имат следните предимства:
- най-висококачествено прахово покритие с GSB одобрение
- отлична устойчивост на атмосферни влияния
- изключително траен гланц и цвят
- изключителна устойчивост на корозия
- висока повърхностна твърдост
- отлична устойчивост на износване
- температура на топене: 195° C

Преглед на видовете каси

Касите за зидария са изключително здрави и издръжливи, с традиционна, солидна конструкция. Съвременните стоманени каси за зидария, произведени от Novoferm, са устойчиви и пасват идеално на всички врати.

Касите за преградни конструкции могат да се използват бързо и лесно в сухото строителство или в леки преградни стени. Това улеснява изпълнението на изискванията за нови жилищни или работни пространства.

 

Разглобени каси за всички видове стени - много каси Novoferm се предлагат и в разглобен вид при поискване. Вариантите на касите, които са на склад, могат да бъдат доставени директно на получателя чрез куриерска услуга в кратък срок.

Акценти на разглобените каси

Това видео за касите показва предимствата на „разглобените каси“ по отношение на транспорта, обработката и монтажа.

Други видеа можете да намерите в YouTube канала на Novoferm:

https://www.youtube.com/NovofermVideos

АКЦЕНТИ И ХАРАКТЕРИСТИКИ

Съвършените каси на Novoferm
Каси за зидария: детайли

Каси за зидария: детайли

Здрава и устойчива конструкция – изключително здрави и издръжливи, с традиционна, солидна конструкция. Съвременните стоманени каси за зидария, произведени от Novoferm, са устойчиви и пасват идеално на всички врати. Касите от Novoferm (съгласно DIN 18111) се предлагат в  многообразие от модели и са оборудвани със специални системи за поставяне на  различни видове панти.
  

ЪГЛОВА КАСА (EZS) ПРОФИЛ 21

  • за врати с фалц
  • с 30 mm удължение в пода
  • джобове на панти заварени по местата си, фугирани, V 8610, опция за ляво/дясно
  • 6 бр. ъглови анкера, заварени по местата си
  • лесен монтаж

     

При доставка

При монтаж

ОБХВАТНА КАСА (UZS) ПРОФИЛ 23

  • за врати с фалц
  • с 30 mm удължение на касата за вграждане в пода
  • джобове на панти заварени по местата си, фугирани, V 8610, опция за ляво/дясно
  • 6 бр. ъглови анкера, заварени по местата си
  • лесен монтаж

Монтажни планки

  • включени са 8 бр., в насипно състояние
  • и с допълнителни свързващи анкери
  • бърз, стабилен монтаж
  • напреднала технология
  • индивидуално позициониране (съгласно DIN)

КАСА ЗА ГИПСОКАРТОН (ZG) ПРОФИЛ 23/ 0045

  • за врати с фалц
  • 30 мм удължение на касата за вграждане в пода
  • джобове за панти, заварени по местата си, фугирани, V 8610, опция за ляво/дясно
  • най-високи нива на антикорозионна защита срещу гипсови мазилки

Анкери за гипсокартон

  • включени 6 бр., в насипно състояние
  • стенен монтаж
  • лесен, стабилен монтаж
  • оптимално решение

2-СЪСТАВНА КАСА (ZNG) ЗА МОДЕРНИЗИРАНЕ, ПРОФИЛ 2140/ 1645

  • за врати с фалц
  • без необходимост от удължение на касата за вграждане в пода
  • джобове за панти, заварени по местата си, фугирани, V 8618, опция за ляво/дясно
  • чист, бърз монтаж
  • за модернизация
  • винтът е скрит в жлеба на уплътнението
  • лесно се демонтира и използва отново

     

Закрепващи планки

  • заварена трапецовидна закрепваща планка върху предния капак
  • за всички видове стени
  • висока стабилност на трапецовидниа планка
  • лесен монтаж с вградената планка
  • специално проектирана система за закрепване, за да се осигури изключителна устойчивост срещу деформация
КАСИ ЗА ПРЕГРАДНИ КОНСТРУКЦИИ: ДЕТАЙЛИ

Каси за преградни конструкции: детайли

Животът се променя, както и изискванията за жилищни или работни пространства, така че се налага да бъдат проектирани и подобрени нови помещения. Това не е проблем, ако използвате нашите каси за преградни конструкции, които се монтират лесно и бързо. 

Касите, произведени от Novoferm, по традиция са здрави, иновативни и изключително сигурни.
  

УКРЕПВАЩА ПАНТИТЕ МОНТАЖНА ПЛАНКА ЗА КРИЛАТА НА ТЕЖКИТЕ ВРАТИ

В съвременното строителство се използват все повече врати с тежки крила. В същото време и по-специално вътрешните преградни стени продължават да бъдат възможно най-тънки. Преградните стени с дебелина 100 мм или 125 мм са изключително често разпространени. Особено важно е да се гарантира, че натоварването от крилото е насочено към стенната конструкция, за да се осигури устойчива надеждна работа на компонентите на вратата. Това е именно онова, което системата VX обезпечава - нова планка за монтиране и укрепване на основите на пантите, която е монтирана още в завода. Тази допълнителна, специално конструирана укрепваща планка е заварена върху основата на пантата , след което се свързва здраво директно към UA профила в преградната стена.

КАСА ЗА ПРЕГРАДНИ КОНСТРУКЦИИ (ZGK) 
ПРОФИЛ 23/ 1645

КАСА ЗА ПРЕГРАДНИ КОНСТРУКЦИИ (ZGK) ПРОФИЛ 23/ 1645

  • за врати с фалц
  • стандартен модел с 16 мм подгъв
  • без необходимост от удължение на касата за вграждане в пода
  • основа за панти V 8618 с опция за ляво/дясно
  • специално подбрани части за каса V 8100/18 (не са включени в доставката)
  • без изрези в панелите от гипсокартон
  • планки заварени по местата си, опция за единични или двойни планки

     

КАСА ЗА ПРЕГРАДНИ КОНСТРУКЦИИ (ZGK)
ПРОФИЛ 23/ 0045

КАСА ЗА ПРЕГРАДНИ КОНСТРУКЦИИ (ZGK) ПРОФИЛ 23/ 0045

  • за врати с фалц
  • стандартно 10 мм подгъв, еднаква визия с касите за зидария
  • без необходимост от удължение на касата за вграждане в пода
  • основа за панти V 8610 с опция за ляво/дясно
  • трябва да се изрежат джобовете за пантите и кутиите предпазващи стените
  • планки заварени по местата си, опция за единични или двойни планки

2-СЪСТАВНА ОБХВАТНА КАСА
ПРОФИЛ 2140/ 1645

2-СЪСТАВНА ОБХВАТНА КАСА, ПРОФИЛ 2140/ 1645

  • за врати с фалц 
  • без необходимост от удължение на касата за вграждане в пода
  • основа за панти V 8618 с опция за ляво/дясно
  • чист, лесен монтаж
  • за проекти с цел модернизация
  • винтът е скрит в жлеба на уплътнението
  • лесно се демонтира и използва отново
  • изключително стабилна

АНКЕРИ ЗА ПРЕГРАДНИ СТЕНИ

Анкерни планки

  • стандартни размери, на един ред
  • по-големи отвори, на два реда - изместени или подравнени
Разглобени каси: детайли

Разглобени каси: детайли

РАЗГЛОБЕНИ КАСИ ЗА ВСИЧКИ ВИДОВЕ СТЕНИ

Еднофалцови, двуфалцови, с декоративен фалц или с арка - много от моделите на касите на Novoferm могат да бъдат предоставени разглобени по предварителна заявка за бърза доставка и безопасен превоз. Новият специален анкер прави монтирането и на двусъстваните видове каси бързо и сигурно.
 

  • разглобени на три отделни части, които са лесни за пренасяне
  • доставят се като пълен комплект
  • оптимално защитени срещу транспортни повреди
  • лесни за складиране
  • удобни за транспортиране с кола
  • бърза и евтина доставка
  • лесни за сглобяване на място
        

ИДЕАЛНИ ЗА МОДЕРНИЗАЦИЯ

ПРОФИЛ 2140

ПРОФИЛ 2140: 2-СЪСТАВНА КАСА – ЗАКРЕПВАНЕ ЧРЕЗ ВИНТ В ЖЛЕБА НА УПЛЪТНЕНИЕТО ЗА ВСИЧКИ ВИДОВЕ СТЕНИ

  • за врати със или без фалц
  • добър избор за завършени пространства
  • лесни за монтаж благодарение на специални анкери, включително анкери за насрещната каса
  • винтът е скрит в жлеба на уплътнението
  • каса за многократна употреба

ПРОФИЛ 2150

ПРОФИЛ 2150: 2-СЪСТАВНА КАСА – С ТОЛЕРАНС В РАЗМЕРА НА ОТВОРА ЗА ВГРАЖДАНЕ В ЗИДАРИЯ

  • променлив размер на обхвата на касата -8 / +10 мм
  • възможни са всички геометрични форми на профила (напр. каси за плъзгащи се врати за монтаж пред стената)
  • видимо свързване
  • ъглови анкери от страната на отвора

ПРОФИЛ 2150

ПРОФИЛ 2150: 2-СЪСТАВНА КАСА – С ТОЛЕРАНС В РАЗМЕРА НА ОТВОРА ЗА ПРЕГРАДНИ СТЕНИ

  • променливи размери на обхвата на касата -8 / +10 мм
  • възможни са всички геометрични форми на профила (напр. каси за плъзгащи се врати за монтаж пред стената)
  • видимо свързване
  • винтово закрепване в щурца
      

ДИЗАЙН НА РАЗГЛОБЕНИТЕ КАСИ И ТРАПЕЦОВИДНАТА АНКЕРНА СИСТЕМА

  • прецизно поставени фабрични ъглови сглобки на касата
  • здрави специални анкери в предния капак на касата
  • насрещният капак е лесен за поставяне благодарение на специалния дизайн на анкерната система
  • специална насрещна анкерна планка, заварена в отвора на насрещния капак
  • не е необходимо специалните анкери да се подравняват, ако отворите на касата са точно оразмерени
Специални каси и повърхности

Специални каси и повърхности

КАСА ПОДХОДЯЩА ЗА ВСЯКАКВИ ПРИЛОЖЕНИЯ

Касите от неръждаема стомана печелят точки не само заради привлекателния си външен вид, но и заради устойчивостта си на влага. По правило рамките от неръждаема стомана се използват в среда, в която се изисква високо ниво на чистота.

Материал: V2A = WST 1.4301  /  V4A = WST 1.4571 (само1,5 mm)
Дебелина на ламарината: 1,5 или 2 mm

Неръждаема стомана 
Касите от неръждаема стомана допълват гамата каси на Novoferm. Те се предлагат с напречни профили и са с дебелина между 1,5 мм и 2 мм, в зависимост от модела.

Попитайте консултантите на Novoferm за техническите им характеристики и приложения.

ИНДИВИДУАЛЕН ДИЗАЙН

Касите на Novoferm са съставени от прецизно изрязани профили и гарантират точност на размерите чрез спазване на най-строг толеранс (EN стандарти / вътрешни стандарти на Novoferm). Касата и вратата, която тя побира, са своеобразна визитка и следователно трябва да съответстват на сградата, пространството и техните потребители. Ето защо Novoferm предлага избор от всички цветове RAL, RAL дизайн, метални цветове и други опции със специални защитни свойства. Опция за прахово покритие против графити.

Боядисаните каси разполагат със следните предимства:

  • най-висококачествено прахово покритие с GSB одобрение
  • изключително устойчиво на атмосферни влияния
  • изключително траен гланц и цвят
  • изключително добро прилепване
  • изключителна устойчивост на корозия
  • силна повърхностна твърдост с добри механични свойства
  • изключително устойчиво на износване
  • температура на топене: 195 ° С

ЗА УСТОЙЧИВО БЪДЕЩЕ

Нашите продукти отговарят на изискванията на Декларацията за екологични продукти (EPD) съгласно ISO 14025 и EN 15804 на програмата за екологични декларации за продукти, управлявана от Института за строителство и околна среда (IBU) въз основа на стандарт EN 15804.

  • EPD съгласно ISO 14025 и EN 15804
  • Оценка на жизнения цикъл съгласно DIN ISO 14040/14044
  • Наредба за категория на продукта (PCR) за врати

Акценти

  • Висока стабилност и устойчивост
  • Широка гама от каси за всички монтажни ситуации
  • Монтаж в преградни стени, зидария и нестандартни проекти
  • Почти всички варианти каси могат да бъдат доставени разглобени

ТЕХНИЧЕСКИ ДАННИ И ДЕТАЙЛИ

ТЕХНИЧЕСКИ ДЕТАЙЛИ: КАСИ ЗА ЗИДАРИЯ И БЕТОН

ТЕХНИЧЕСКИ ДАННИ: КАСИ ЗА ЗИДАРИЯ И БЕТОН

   

Таблица с размерите на стоманените каси Novoferm

Стандартни каси
за стени от зидария,
гипсокартон и итонг

Стандартни каси
за стени от зидария,
гипсокартон и итонг

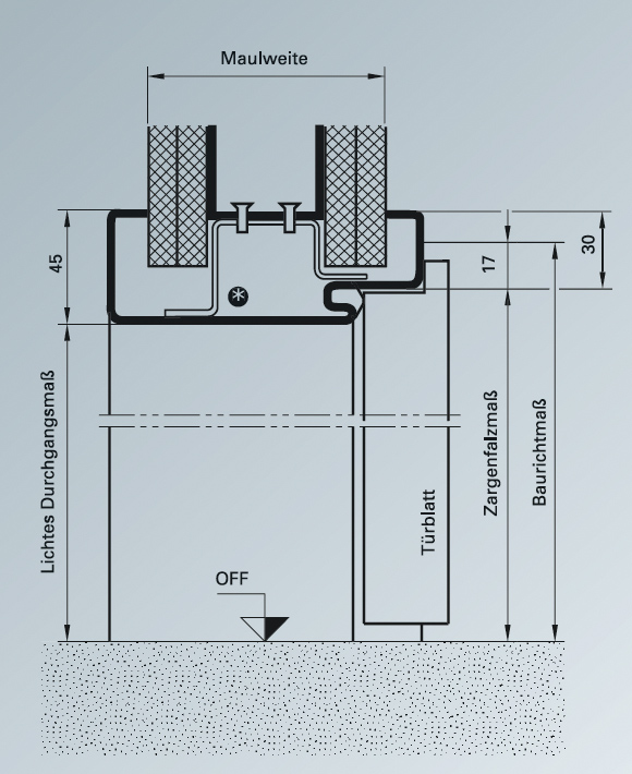
Строителни размери
(вж. DIN 18100)

Размери на фалца на касата
(вж. DIN 18111)

Размери на светлия проход на касата
(вж. DIN 18111)

Номинален размер на отвора в стената
(RBM)

Номинален размер на отвора в стената
(RBM)

Ширина  x Височина

Ширина  x Височина

Ширина  x Височина

Ширина  x Височина

Ширина  x Височина

750 x 1.875
1) 2)

716 x 1.858

686 x 1.843

760 x 1.880 

760 x 1.880

875 x 1.875
2)

841 x 1.858

811 x 1.843

885 x 1.880

885 x 1.880

1000 x 1.875
1) 2)

966 x 1.858

936 x 1.843

1.010 x 1.880

1.010 x 1.880

 625 x 2.000 

591 x 1.983

561 x 1.968

635 x 2.005

635 x 2.005

750 x 2.000 

716 x 1.983

686 x 1.968

760 x 2.005

760 x 2.005

875 x 2.000

841 x 1.983

811 x 1.968

885 x 2.005

885 x 2.005

1.000 x 2.000 

966 x 1.983

936 x 1.968

1.010 x 2.005

1.010 x 2.005

625 x 2.125
1) 

591 x 2.108

561 x 2.093

635 x 2.130

635 x 2.130

750 x 2125 

716 x 2.108

686 x 2.093

760 x 2.130

760 x 2.130

875 x 2.125

841 x 2.108

811 x 2.093

885 x 2.130

885 x 2.130

1.000 x 2.125 

966 x 2.108

936 x 2.093

1.010 x 2.130

1.010 x 2.130

1.125 x 2.125
1) 

1.091 x 2.108

1.061 x 2.093

 1.135 x 2.130

1.135 x 2.130

 1.250 x 2.125
1) 3)

1.216 x 2.108

1.188 x 2.093

1.260 x 2.130

 1.260 x 2.130

 
1) Номинални размери и свързани с тях размери, които не са включени в DIN 18111       2) Стандартно само за ъгловите каси   

   

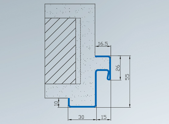
КАСИ ЗА ЗИДАРИЯ

   

Обхват на касата

Стандартни каси Novoferm 

 

за зидария

за гипсокартон

80

90

-

100

130

-

145

-

160

-

175

-

205

-

270

-

290

-

330

-

Вертикално сечение
каса с щурц

Хоризонтално сечение
каса със зидана стена

ТЕХНИЧЕСКИ ДАННИ: КАСИ ЗА ГИПСОКАРТОН

ТЕХНИЧЕСКИ ДАННИ: КАСИ ЗА ГИПСОКАРТОН

   

Стандартни каси
за преградни стени,
Профил 23/1645

2-съставна с винтове
завинтени в жлеба
Профил 2140/1645

2-съставни с разделител
Профил  2150/0040

 

Позиция на анкерите 
Внимание! Стенен монтаж

Номинални размери
(= строителни размери)

Номинални размери
на отвора в стената

Външни размери на крилото на вратата
(типови размери, вж.
DIN 18101)

Ширина x Височина

Ширина x Височина

Ширина x Височина

Ширина x Височина

769 x 1.885

750 x 1875

730 x 1.865

730 x 1.865 

894 x 1.885

875 x 1875

855 x 1.865

855 x 1.865

1.019 x 1.885

1.000 x 1.875

980 x 1.865

980 x 1.865

644 x 2.010

625 x 2.000

605 x 1.990

605 x 1.990

769 x 2.010

750 x 2.000

730 x 1.990

730 x 1.990

894 x 2.010

875 x 2.000

855 x 1.990

855 x 1.990

1.019 x 2.010

1.000 x 2.000

980 x 1.990

980 x 1.990

644 x 2.135

625 x 2.125

605 x 2.115

605 x 2.115

769 x 2.135

750 x 2.125

730 x 2.115

730 x 2.115

894 x 2.135

875 x 2.125

855 x 2.115

855 x 2.115

1.019 x 2.135

1.000 x 2.125

980 x 2.115

980 x 2.115

1.144 x 2.135

1.125 x 2.125

1.105 x 2.115

1.105 x 2.115

1.269 x 2.135

1.250 x 2.125

1.230 x 2.115

1.230 x 2.115

   

   

Обхват на касата

Стандартни каси Novoferm 

за стени от гипсокартон

75

100

125

150

Хоризонтално сечение
каса с гипсокартонена стена

Вертикално сечение
каса със щурц

Опции и решения

Опции и решения

Ъглова каса

Ъглова каса със заоблени ръбове

Ъглова каса с двоен фалц

Ъглова каса с двоен фалц 
с тесен жлеб

Фитнес ъглова каса 

Обхватна каса

Обхватна каса
със заоблени ръбове

Обхватна каса
с тесен жлеб

Каса с декоративен фалц
с тесен жлеб

Каса с двоен фалц
със заоблени ръбове

Каса с двоен фалц

Каса с двоен фалц 
с 1-странен тесен жлеб

Каса за летяща врата

Обхватна каса
с тесен жлеб

Каса с променлив обхват

Обхватна каса
с оловна вложка
(срещу радиация)

Каса за плъзгащи се врати
за вграждане в стената
(вертикален разрез)

Каса за плъзгащи се врати
за вграждане в стената
(хоризонтален разрез)

Каса за плъзгащи се врати
разположени пред стената
(вертикален разрез)

Каса за плъзгащи се врати
разположени пред стената
(хоризонтален разрез)

Каса за плъзгащи се врати
разположени пред стената със стъклено крило
(вертикален разрез)

Каса за плъзгащи се врати
разположени в ниша (хоризонтален разрез)

Каса за плъзгащи се врати
с монтажна кутия (хоризонтален разрез)

Каса за плъзгащи се врати
разположени пред стената, 2-съставен модел (вертикален разрез)

2-съставна каса
за всички видове стени

2-съставна каса
със заоблени ръбове

Каса
без первази

2-съставна каса
с толеранс в размера на отвора

2-съставна каса
с толеранс в размера на отвора и тесен жлеб

Каса за прозорец
с едностранно остъкление

Каса за прозорец
с двустранно остъкление

Възможности за монтаж

Възможности за монтаж

Ъглова каса
Закрепване на ъглова каса с анкери от страната на стената и по дебелината на касата

Ъглова каса
Закрепване на ъглова каса с анкери само по дебелината на касата (гола зидария) 

Ъглова каса
пробити отвори в жлеба (при модернизация)

Ъглова каса
Заварена към перфорирана планка

Обхватна каса
Заварена към перфорирана планка (гола зидария)

Обхватна каса
Закрепване с анкери за бърз монтаж (стандартно) или свързващи анкери (гола зидария)

Обхватна каса
Захващане в хоросана с гофрирани планки

Обхватна каса
За плоскости от гипсокартон, закрепване с телни анкери

Обхватна каса
Укрепване с пълнеж от бетон и плоски анкери (заварени)

Обхватна каса
Закрепване с (включени, но не и прикрепени) винтови анкери (бетонни стени)

Обхватна каса
Пробити отвори по дебелината на касата

2-съставна обхватна каса
Не се предлага с RAL покритие

Ъглова и насрещна каса
Заварени към перфорирана планка (гола зидария)

Каса за гипсокартон
Закрепване с винтове към анкерите планки

Каса за гипсокартон
Закрепване с винтове през первазите

2-съставна обхватна каса
Закрепване с винтове по дебелината на касата (подходящ за всички видове стени)

2-съставна обхватна каса
с толеранс в размера на обхвата, закрепване с винтове през первазите

Телескопична каса
За универсално напасване на място, подходящи за всички видове стени

Обхватна каса
Закрепване с дюбел за гипсокартон (бетонна стена)

Обхватна каса с оловна вложка (срещу радиация)

Конструкция на пантите

Конструкция на пантите

НЕРЕГУЛИРУЕМИ 3D ПАНТИ

ТипОписаниеТип панта

Товароносимост

V 8610Поцинковани (опция V2A)V 8000

60 kg

DIN ляво или дясноV 8100

80 kg

Усилване на пантитеVN 8939/100

100 kg

Повече от 200 възможни комбинации 

 

ТипОписаниеТип панта

Товароносимост

V 8618Поцинковани (опция V2A)V 8000/18

60 kg

DIN ляво или дясноV 8100/ 18

80 kg

Повече от 200 възможни комбинации 

 

ТипОписаниеТип панта

Товароносимост

Джобове 
за двойни 
панти
Монтажен елемент VARIANT V 8600 или V 8610VN 8938/ 160

150 kg

За употреба отляво или отдясно  
Функционалност:  
Пожарозащита, димозащита
  
Поцинковани  

РЕГУЛИРУЕМИ 3D ПАНТИ

ТипОписаниеТип панта

Товароносимост

VX 7611С висока товароносимостVX 7729/ 100

100 kg

За фалцови и безфалцови вратиVX 7939/ 100

100 kg

УсилениVX 7729/ 120

120 kg

3D безстепенно регулиране
Страна +/- 3,0 mm,
Височина +/- 3,0 mm,
Напрежение +/- 3,0 mm
VX 7939/ 120

120 kg

VX 7729/ 160

160 kg

VX 7939/ 160

160 kg

ТипОписаниеТип панта

Товароносимост

VN 7608/120За фалцови и безфалцови вратиVN 7748/ 100

100 kg

УсилениVN 7938/ 100

100 kg

ПоцинкованиVN 7728/ 120

100 kg

3D безстепенно регулируеми
Страна +/- 3,0 mm,
Височина +/- 3,0 mm,
Напрежение  +/- 2,0 mm
VN 7729/ 120

120 kg

VN 7939/ 120

120 kg

VN 7939/ 120

160 kg

ТипОписаниеТип панта

Товароносимост

VN 7608/160За фалцови и безфалцови вратиVN 7729/160

160 kg

УсилениVN 7939/160

160 kg

УсилениVN 7939/160 FD

160 kg

3D безстепенно регулиране
Страна +/- 3,0 mm,
Височина +/- 3,0 mm,
Напрежение +/- 3,0 mm
VN 7939/160s

160 kg

VN 7939/160 FDs

160 kg

ТипОписаниеТип панта

Товароносимост

TectusНапълно скритиTectus 305

60 kg

За безфалцови вратиTectus 310

60 kg

3D регулируемиTectus 340

80 kg

CE-маркировкаTectus 510

 100 kg

Ъгъл на отваряне до 180°Tectus 526

120 kg

Обща дължина 140/ 141 mmTectus 527

120 kg

DIN ляво или дясноTectus 540

120 kg

Система за плъзгащи лагери без поддръжка
Страна +/- 3,0 mm
Височина +/- 3,0 mm
Напрежение +/- 1,0 mm
Tectus 630

200 kg

Tectus 640

200 kg

Tectus 645

300 kg

* Товароносимост за примерни комбинации от панти в зависимост от системата. Отнася се за приложения с две панти. При използване на трета панта теглото на вратата може да се увеличи с около 30 %. Теглото на крилото на вратата не трябва да надвишава 70 % от стойностите на натоварване.
 

Звукоизолиращи уплътнения

Звукоизолиращи уплътнения

ВСИЧКО ЗАВИСИ ОТ ПЕРФЕКТНОТО УПЛЪТНЕНИЕ

Уплътнителните профили Novoferm гарантират, че няма да има течение или шум. Профилът за разширяване на затварящата повърхност, осигурява безшумно затваряне. Благодарение на оптималната звукоизолация и отличното демпфиране при затваряне е необходимо само лек натиск при затваряне.

  • Устойчива еластичност
  • Формоустойчивост
  • Висока еластичност
  • Износоустойчивост
  • Различни цветове
  • Лесни за обработка
  • Звукоизолиране
  • Възможен толеранс (компенсиращ профил)
  • Екологично чисти (без PVC)

ВИДОВЕ ПРОФИЛИ

НазваниеМатериал*ЦвятХарактеристики
C 190NTKСивСтандартен профил
  БялКомпенсиращ профил± 2,5 mm
  КафявЗвукоизолация ± 2,5 mm
  Черен 
* Материали
NTK: Novoferm термо каучук / APTK: Етилен-пропилен-терполимер-каучук (синтетичен каучук) EPDM: международен термин за APTK
НазваниеМатериал*ЦвятХарактеристики
C 260NTKсив2 mm по-висок от C190
* Материали
NTK: Novoferm термо каучук / APTK: Етилен-пропилен-терполимер-каучук (синтетичен каучук) EPDM: международен термин за APTK
НазваниеМатериал*ЦвятХарактеристики
C 197NTKGrau4 mm по-висок от C 190
* Материали
NTK: Novoferm термо каучук / APTK: Етилен-пропилен-термополимер-каучук (синтетичен каучук) EPDM: международен термин за APTK
НазваниеМатериал*ЦвятХарактеристики
C 205NTKСив2 mm по-нисък от C 190
* Материали
NTK: Novoferm термо каучук / APTK: Етилен-пропилен-термополимер-каучук (синтетичен каучук) EPDM: международен термин за APTK
НаименованиеМатериал*ЦвятХарактеристики
C 210NTKсив4 mm по-ниска от C 190
* Материали
NTK: Novoferm термо каучук / APTK: Етилен-пропилен-терполимер-каучук (синтетичен каучук) EPDM: международен термин за APTK
НаименованиеМатериал*FarbeХарактеристики
11089APTK (EPDM)сивСтандартен профил 
   Компенсиращ профил  ± 2,5 mm
   Звукоизолация ± 2,5 mm
* Материали
NTK: Novoferm термо каучук / APTK: Етилен-пропилен-терполимер-каучук (синтетичен каучук) EPDM: международен термин за APTK

Монтаж

употреба на разглобените каси за стени от гипсокартон

Касите Novoferm могат да се монтират изключително бързо. По-долу ще намерите стъпка по стъпка подготовката и монтажа на разглобените каси за гипсокартонени стени. Всички детайли можете да намерите в подробните инструкции за монтаж.

Подготовка за монтаж

Подготовка за монтаж

Касата се състои от три части

Закрепете горния край на касата към левия и десния й вертикален профил

Подравнете частите на касата

Schrauben in der Zargennut entfernen und für die spätere Montage aufbewahren

Съединете частите на касата

Anschließend die beiden Halbschalen trennen

Монтаж

Монтаж

Изглед на предния и насрещния капак

Стандартният преден капак разполага с три здрави трапецовидни анкера от всяка страна

Плъзнете предния капак в отвора и го подравнете

Закрепете всички трапецовидни анкери към профила UA с винтове. При необходимост подравнете.

Позиционирайте насрещния капак

Плъзнете в отвора

Лесно поставяне и стабилно свързване благодарение на трапецовидната форма на анкерите

Уверете се, че капакът е правилно позициониран и дозатегнете болта в жлеба

Поставете приложения уплътнителен профил в жлеба на касата

Напълно сглобена каса